Hydraulika / Šroubení se střižným kroužkem / šroubové spojení / Úhlová šroubová spojení / X-SW-Úhlová Otočná šroubení
Otočné úhlové šroubení 90° X-SWR 10 L 1/4 se závitem M16 x 1,5
bez čepičkové matice a střižného kroužku
296 Kč / ks
244,63 Kč bez DPH
Skladem na e-shopu
Kód:
Máte dotaz k produktu?
Napište nám, brzy se ozveme
Přípoj G: BSP-Vnější závit cylindrický, Měkké těsnění
Přípoj trubka: metrický Vnější závit cylindrický, 24° vnitřní kužel
Konstrukce: otočné úhlové šroubení 90°
norma: DIN 2353
Materiál: ocel, pozinkováno
Balení: 1
Balení: 1
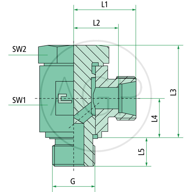
- PN (bar) 315
- Připojovací závit M16 x 1,5
- Roura D (mm) 10
- SW2 (mm) 19
- Závit (G) G 1/4"
- L1 (mm) 22,5
- L2 (mm) 15,5
- L3 (mm) 32
- L4 (mm) 14










