Hydraulika / Šroubení se střižným kroužkem / VOLZ VA-šroubové spojení / Úhlová šroubení VOLZ VA-šroubové spojení / Přímá šroubení
WEV 8 S-3/8" NPT VA
850 Kč / ks
702,48 Kč bez DPH
Skladem na e-shopu
Kód:
75065
Máte dotaz k produktu?
Napište nám, brzy se ozveme
Balení: 1
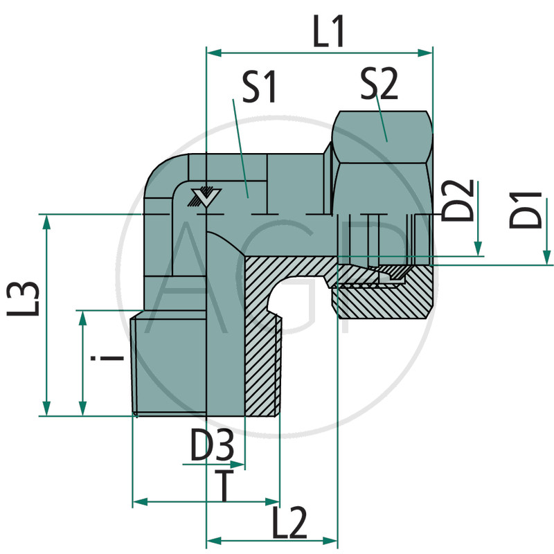
- PN (bar) 630
- ? D2 (mm) 5
- ? T (mm) 3/8" NPT
- ? D3 (mm) 8
- L1 (mm) 33
- L2 (mm) 18
- L3 (mm) 28
- ? D1 (mm) 8







