Hydraulika / Šroubení se střižným kroužkem / VOLZ VA-šroubové spojení / Úhlová šroubení VOLZ VA-šroubové spojení / Přímá šroubení
WEV 8 S-1/4" NPT VA
795 Kč / ks
657,02 Kč bez DPH
Skladem na e-shopu
Kód:
75064
Máte dotaz k produktu?
Napište nám, brzy se ozveme
Balení: 1
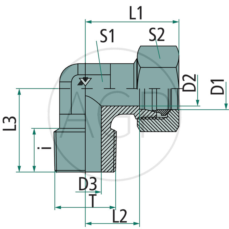
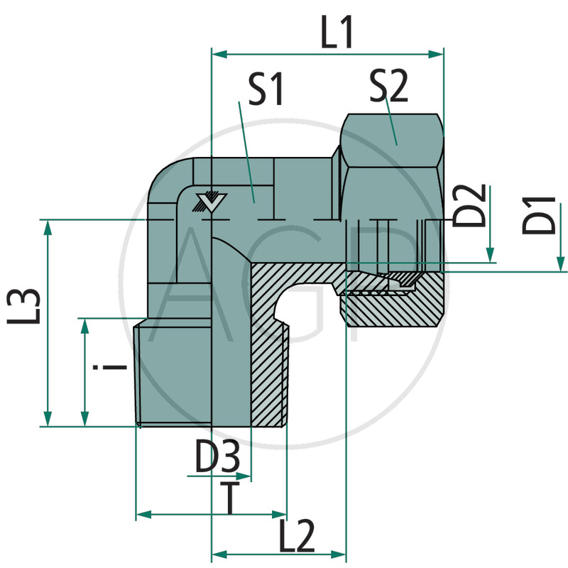
- PN (bar) 630
- ? D2 (mm) 5
- ? T (mm) 1/4" NPT
- ? D3 (mm) 5
- L1 (mm) 32
- L2 (mm) 17
- L3 (mm) 27
- ? D1 (mm) 8







