Hydraulika / Šroubení se střižným kroužkem / VOLZ VA-šroubové spojení / Úhlová šroubení VOLZ VA-šroubové spojení / Přímá šroubení
WEV 8 S-1/2" NPT VA
1 208 Kč / ks
998,35 Kč bez DPH
Skladem na e-shopu
Kód:
75066
Máte dotaz k produktu?
Napište nám, brzy se ozveme
Balení: 1
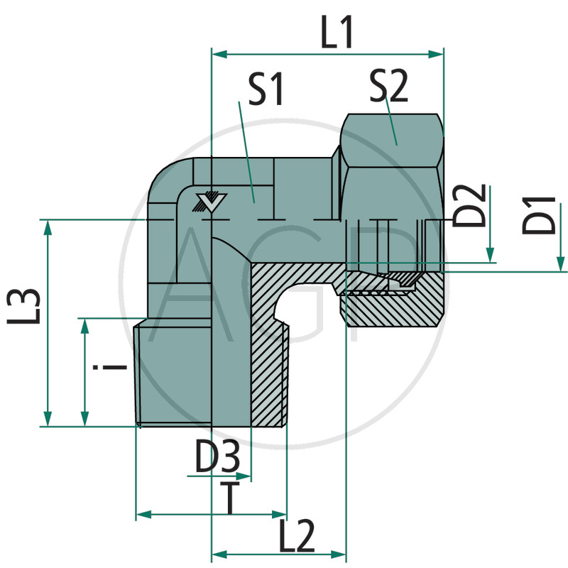
- PN (bar) 630
- ? D2 (mm) 5
- ? T (mm) 1/2" NPT
- ? D3 (mm) 10
- L1 (mm) 38
- L2 (mm) 23
- L3 (mm) 34
- ? D1 (mm) 8







