Přívěsy a nákladní vozidla / Přívěsy a návěsy pro zemědělství a lesnictví / Tažná oka s přírubou pro zemědělské stroje / Tažná oka s 6-otvorovou přírubou, provedení A, DIN 11026, Ø 40 mm
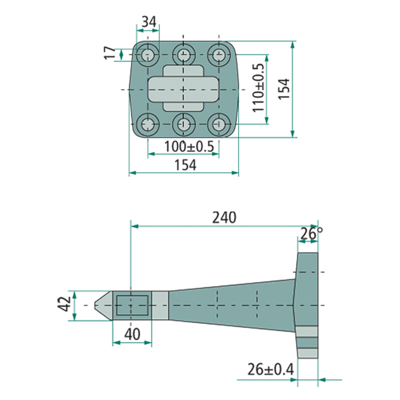
Tažné oko s 6 otvorovou přírubou o průměru oka 40 mm
- vnitřní průměr oka 40 mm
- počet děr v přírubě 6
- max. povolená celková hmotnost přívěsu 24 t
- rozteč děr na přírubě 110 x 100 mm
3 690 Kč / ks
3 049,59 Kč bez DPH
Skladem na e-shopu
Skladem na prodejně
Výrobce:
AGPower
Kód:
12620
Máte dotaz k produktu?
Napište nám, brzy se ozveme
Tažné oko o průměru 40 mm k přívěsu s přírubou
Tažné oko o průměru 40 mm k přívěsu se 6 děrovou přírubou pro šrouby M16. Rozteč děr na přírubě 100 x 110 mm
- D-hodnota (kN): 130
- Zatížení podpěry (t): 2 - 2,5
- Dc-hodnota (kN): 86,7
- Max. povolená celková hmotnost přívěsu (t): 24
- DIN 11026 / ISO 5692-2
- DIN74054 6-děr
- Č. ABG: N 2068
- Č. EWG: e4*94/20*0962*00
- Materiál: 42 CrMo 4V, 1.7225
- Povrch: povlak KTL
- Max. svislé zatížení 2000 kg
- Z-039 s typovým štítkem
- Přípustné zatížení: 2500 kg až 40 km/h
- Přípustné zatížení: 2000 kg nad 40 km/h
Rozměry
- Šířka příruby: 154 mm
- Výška příruby: 154 mm
- Rozteč vodorovných děr: 100 mm (od středu děr po střed děr)
- Rozteč svislých montážních otvorů: 110 mm (měřeno od středu díry po střed díry)
- Průměr tažného oka: 40 mm
- Rozpětí: 240 mm
- Průměr montážních děr: 17 mm
Použití
Toto tažné oko je převážně určeno na těžké zemědělské a lesnické přívěsy za traktor. Vyrobeno z kvalitní oceli a určené pro těžkou práci.
- D-hodnota (kN)
130
130
130 - Zatížení podpěry (t)
2,5
2,0
, 1,0 - Dc-hodnota (kN)
99
99
99 - Max. povolená celková hmotnost přívěsu (t) 24
- V-hodnota (kN)
47
55,2
65
Další produkty

- tažná hubice pro kouli K80 (Ø 80 mm)
- 12děrová vertikální příruba – rozteč 160 × 160 mm
- D-hodnota 120 kN – vhodná pro těžké přívěsy a návěsy
- max. svislé zatížení 4000 kg
- robustní ocelová konstrukce pro profesionální nasazení
- schváleno dle VO (EU) 2015/208, montáž ISO 24347
- originální díl Scharmüller – prvovýbava OEM u výrobce strojů














