Hydraulika / Hydraulické rozvaděče / CETOP - elektrické ventily / BREVINI - el. ventily pro CETOP 03 (NG6) / Přípojné desky NG06
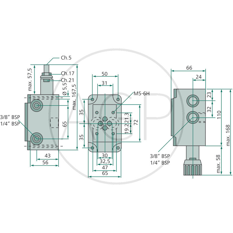
NG06-přípojná deska DBV S/H 3/8" BSP
4 025 Kč / ks
3 326,45 Kč bez DPH
Skladem na e-shopu
Kód:
Máte dotaz k produktu?
Napište nám, brzy se ozveme
S přepouštěcím ventilem
postranní a zadní přípojky
Balení: 1
Balení: 1
- Zadní P/T
- Přípoj 3/8" BSP










