Hydraulika / Vzduchotlaká technika / Ventily pro vzduchotlakou techniku / Průtokové a zpětné ventily / Kulové kohouty a uzavírací ventily
K-MI-6400-3/8-22-II-MSv e - ručně ovládaný
398 Kč / ks
328,93 Kč bez DPH
Skladem na e-shopu
Kód:
73409
Máte dotaz k produktu?
Napište nám, brzy se ozveme
Ručně ovlnádané kulové kohouty slouží k uzavření nebo odklonění plynových nebo kaplainových médií. Tyto kouty jsou používány v zemědělství nebo v chemickém průmyslu pro různé procesy.
Technické údaje:
Přípoj: Withworth trubkový závit, cylindrický ISO 228
Médium: stlačený vzduch, kapaliny
Mechanické vlastnosti: vyšší ochrana povrchu pochromování / poniklováním
Materiály:
Tělo: pochromovaná / poniklovaná mosaz
Koule: pochromovaná / poniklovaná mosaz
Rukojeť: PA
Těsnění:
Těsnění vřetene: Perbunan (NBR)
Těsnění koule: PTFE
Balení: 1
Technické údaje:
Přípoj: Withworth trubkový závit, cylindrický ISO 228
Médium: stlačený vzduch, kapaliny
Mechanické vlastnosti: vyšší ochrana povrchu pochromování / poniklováním
Materiály:
Tělo: pochromovaná / poniklovaná mosaz
Koule: pochromovaná / poniklovaná mosaz
Rukojeť: PA
Těsnění:
Těsnění vřetene: Perbunan (NBR)
Těsnění koule: PTFE
Balení: 1
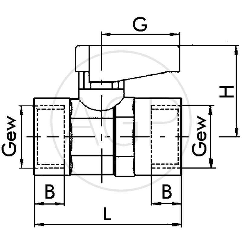
- Š (mm) 9
- h (mm) 22
- Teplota (°C) -10 - +80
- Tlakový rozsah (bar) -0,99 - 20
- DN 8
- Závit G3/8










