Hydraulika / Vzduchotlaká technika / Instalační materiál / Hadicové nátrubky / Hadicové nátrubky z umělé hmoty
E-TETk-6-1/8-PA T-šroubovací násada
44 Kč / ks
36,36 Kč bez DPH
Skladem na e-shopu
Kód:
70673
Máte dotaz k produktu?
Napište nám, brzy se ozveme
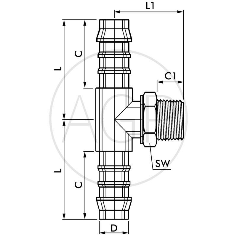
Schlauchverbinder
finden hauptsächlich bei dickwandigen Schläuchen bzw. dort Verwendung, wo es keine Steckverschrau-bungen für diese Schläuche gibt.
Die Schläuche werden mittels Schlauchschelle befestigt.
Balení: 1
Balení: 1
- SW 11
- C1 8
- Hadice vnitřní ? (mm) 6
- Závit R1/8
- L1 (mm) 21







